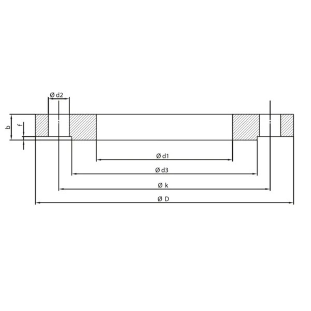
Düz Flanş Teknik Çizim

Görseller arası geçiş için noktalara tıklayın

DÜZ FLANŞ

Düz flanş, boru hatlarında boru–boru veya boru–ekipman (vana, pompa, kazan vb.) bağlantılarını sağlamak amacıyla kullanılan, sızdırmazlık yüzeyi tamamen düz olan bir flanş türüdür. Conta, flanş yüzeyinin tamamına oturarak güvenli bir sızdırmazlık sağlar.

Teknik Veriler

  • Ölçü Aralığı: 25mm – 1000mm
  • Basınç Sınıfı: PN6 – PN100
  • Standartlar: TSE, Avrupa ve Amerikan Normları
TEKLİF AL