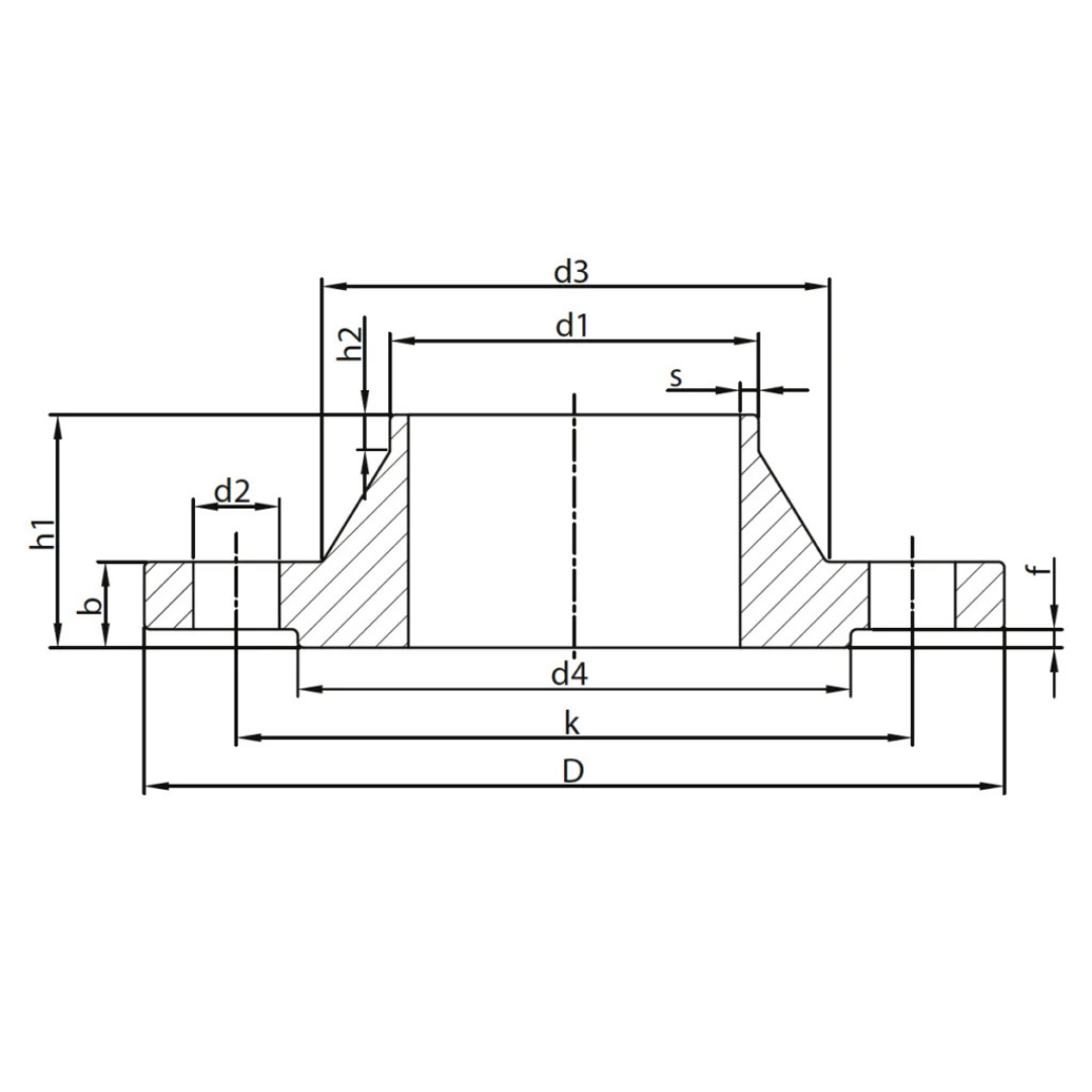
Düz Flanş Teknik Çizim

Görseller arası geçiş için noktalara tıklayın

BUHAR (BORULU) FLANŞI

Kaynak boyunlu flanş, boru hatlarında yüksek basınç ve sıcaklık altında çalışan sistemlerde tercih edilen bir flanş türüdür. Konik boyun yapısı sayesinde boruya alın kaynağı ile bağlanır ve hat üzerindeki gerilmeleri dengeli şekilde dağıtarak güçlü ve güvenli bir bağlantı sağlar.

Teknik Veriler

  • Ölçü Aralığı: 25mm – 1000mm
  • Basınç Sınıfı: PN6 – PN100
  • Standartlar: TSE, Avrupa ve Amerikan Normları
TEKLİF ALIN